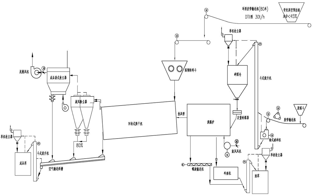
In order to adapt to environmental protection policy, from the pre-hanging machine out, the paper mill caustic white mud (or green mud) through the tape, is transported to the white mud drying system after drying, de-dusting into the bulk powder library, bulk shipment to the cement plant or mixing station and other downstream users. Hot blast stoves can use coal-fired boiling stoves or gas (oil) hot blast stoves.
High efficiency rotary dryer, multi-angle hoisting plate, anti-agglomeration hinge, spiral scraping guide sleeve, anti-stick wall vibration hammer and closed self-cleaning forced feeder, coal burning (gas or biomass three uses) hot blast stove, roller slag cooler at the bottom of boiling furnace.
|
Daily treatment absolute dry quantity(t/d) |
300 |
200 |
||
|
|
Wood pulp |
Bamboo pulp |
Wood pulp |
Bamboo pulp |
|
White mud water content (%) |
35 |
45 |
35 |
45 |
|
Water content after drying(%) |
5 |
5 |
5 |
5 |
|
Evaporative water(t/h) |
6.07 |
9.57 |
4.05 |
6.38 |
|
Drying yield (t/h) |
13.16 |
13.16 |
8.77 |
8.77 |
|
Tons of wet slurried standard coal consumption (kg/t) |
53.7 |
71.2 |
53.7 |
71.2 |
|
Tons of wet slurred natural gas consumption(m3/t) |
44.2 |
58.7 |
44.2 |
58.7 |
